- 產品介紹
- 技術優勢
- 工程應用
HF系列高頻電源
南環科技自主研發的HF系列電除塵器高頻電源具有優異的節能減排特性,解決了傳統工頻電源除塵效率低和能耗偏高的問題,全面替代了常規工頻電源,引領了我國電除塵器高頻電源的技術發展。
技術參數
- 輸入電壓:三相電壓 380V±10%
- 輸出電壓:66kV、72kV、80kV、90KV、100KV
- 輸出電流: 600mA、800mA、1000mA、1200mA、1400mA、1600mA、2000mA、2400mA
- 工作頻率:20 kHz
- 轉換效率:≥92%
- 功率因數:≥0.92
- 重 量:600 kg 、750kg
- 適用溫度:-30℃~55℃
- 體 積:1200 mm×1000 mm×1300mm
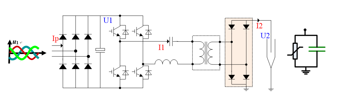
工作原理
HF系列電除塵器高頻電源采用串聯諧振電路設計,把三相交流電整流為直流電,通過逆變電路形成高頻交流電,再經高頻整流變壓器升壓整流后,輸出高頻脈動電流至電除塵器,其工作頻率一般在20kHz~50kHz 。
電暈功率更大
與工頻電源相比,高頻電源可增大電暈功率,從而增加了電場內粉塵的荷電能力。高頻電源在純直流供電方式時,電壓波動小(一般在1%左右,工頻電壓波動>30%),電暈電壓高(可達到工頻電源二次電壓的130%),電暈電流大(峰值電流是工頻電源二次電流的200%)。

火花控制性能好
與工頻電源相比,高頻電源脈沖時間極短,火花控制性能好,僅需很短的時間(<25μs,而工頻電源需要10000μs)即可檢測到火花發生并且立刻關閉供電脈沖,因而火花能量損失很小,電場恢復快(僅需工頻電源恢復時間的20%),從而進一步提高了電場的平均電壓,提高了除塵效率。
適應性更強
與工頻電源相比,高頻電源的供電電流由一系列窄脈沖構成,其脈沖寬度、幅度及頻率均可以調整,根據不同工況提供最合適的電壓波形,提高除塵效率,控制方式靈活形。間歇供電時,可有效抑制反電暈現象,特別適用于高比電阻粉塵工況。
節能提效明顯
與工頻電源相比,高頻電源提供給電場的電能有效利用率高,較少了無功的供電損耗,高提高了粉塵荷電能力,明顯提高除塵效率。在保證除塵效率不變的情況下,與工頻電源相比,節能幅度最高可達80%,減少粉塵排放40%~70%。
高度集成,安裝方便
高頻電源體積更小、重量更輕,其配電系統、控制系統、高頻整流變壓器及振打、加熱控制系統可根據需要設計集成在一個箱體內。高頻電源直接安裝在電除塵器頂部,節省配電室空間和大部分信號電纜和控制電纜,減少安裝費用。
綠色能源
高頻電源采用三相平衡電源,對電網影響小,無缺相損耗,無電網污染。
工程業績
HF系列高頻電源已經擁有6000余套設備全國500余臺機組的運行業績,其中1000MW級機組有30余臺,600MW級機組100余臺,300MW級機組200余臺,濕式除塵器配套100余臺,運行穩定可靠,減排與節能效果顯著。
HF系列電除塵器高頻電源典型業績表





